Features
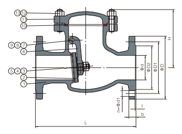
– 1/2~12(DN15-DN300)
WP :PN16/40 W.T.:425C Design: GB /T 12236 Face to face: GB/T 12236 Inspection & testing: GB/T 13927,JB /T 9092
We will contact you within two working days, please pay attention to the email with the suffix”@greatwallcontrol.com”